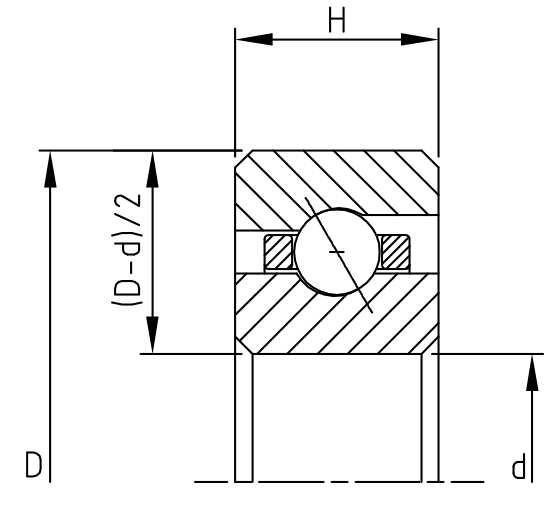
英制等截面薄壁角接觸球軸承
A型角接觸球軸承與C型軸承不同之處在于A型軸承有足夠的徑向游隙,能形成足夠的接觸角來承受軸向載荷。由于具有單向載荷能力,該軸承需要與其它軸承對稱配對安裝,以設定并保證接觸角,同時在受到交變的軸向載荷時使其軸向運動最小。

| HAAA系列 |
| 軸承型號 | 主要尺寸(mm) | 基本額定載荷(KN) |
| d | D | H | 徑向靜載荷 | 徑向動載荷 | 軸向靜載荷 | 軸向動載荷 |
| HAAA10 | 25.4 | 34.925 | 4.763 | 1.51 | 0.86 | 4.31 | 2.00 |
| HAAA15 | 38.1 | 47.625 | 4.763 | 2.14 | 1.06 | 6.14 | 2.49 |
| HAAA17 | 44.45 | 53.975 | 4.763 | 2.36 | 1.12 | 6.76 | 2.67 |
| HAA系列 |
| 軸承型號 | 主要尺寸(mm) | 基本額定載荷(KN) |
| d | D | H | 徑向靜載荷 | 徑向動載荷 | 軸向靜載荷 | 軸向動載荷 |
| HAA20 | 50.8 | 63.5 | 6.35 | 3.51 | 1.80 | 10.14 | 4.27 |
| HAA25 | 63.5 | 76.2 | 6.35 | 4.27 | 2.04 | 12.37 | 4.89 |
| HAA30 | 76.2 | 88.9 | 6.35 | 5.07 | 2.26 | 14.63 | 5.47 |
| HAA35 | 88.9 | 101.6 | 6.35 | 5.83 | 2.46 | 16.86 | 6.01 |
| HAA40 | 101.6 | 114.3 | 6.35 | 6.63 | 2.65 | 19.13 | 6.54 |
| HAA42 | 107.95 | 120.65 | 6.35 | 7.03 | 2.74 | 20.24 | 6.81 |
| HAA45 | 114.3 | 127 | 6.35 | 7.38 | 2.83 | 21.40 | 7.03 |
| HAA47 | 120.65 | 133.35 | 6.35 | 7.78 | 2.92 | 22.51 | 7.30 |
| HAA50 | 127 | 139.7 | 6.35 | 8.18 | 3.01 | 23.62 | 7.52 |
| HAA55 | 139.7 | 152.4 | 6.35 | 8.99 | 3.18 | 25.89 | 8.01 |
| HAA60 | 152.4 | 165.1 | 6.35 | 9.74 | 3.35 | 28.11 | 8.45 |
| HAA65 | 165.1 | 177.8 | 6.35 | 10.54 | 3.51 | 30.38 | 8.90 |
| HAA70 | 177.8 | 190.5 | 6.35 | 11.30 | 3.66 | 32.65 | 9.34 |
| HAA75 | 190.5 | 203.2 | 6.35 | 12.10 | 3.81 | 34.87 | 9.74 |
| HAA80 | 203.2 | 215.9 | 6.35 | 12.86 | 3.96 | 37.14 | 10.14 |
| HAA90 | 228.6 | 241.3 | 6.35 | 14.41 | 4.24 | 41.64 | 10.99 |
| HAA100 | 254 | 266.7 | 6.35 | 159.70 | 4.77 | 46.13 | 11.74 |
| HAA110 | 279.4 | 292.1 | 6.35 | 175.26 | 5.02 | 50.62 | 12.50 |
| HAB系列 |
| 軸承型號 | 主要尺寸(mm) | 基本額定載荷(KN) |
| d | D | H | 徑向靜載荷 | 徑向動載荷 | 軸向靜載荷 | 軸向動載荷 |
| HAB20 | 50.8 | 66.675 | 7.938 | 4.85 | 2.67 | 14.01 | 6.14 |
| HAB25 | 63.5 | 79.375 | 7.938 | 5.96 | 3.00 | 17.17 | 7.07 |
| HAB30 | 76.2 | 92.075 | 7.938 | 6.89 | 3.26 | 19.88 | 7.78 |
| HAB35 | 88.9 | 104.775 | 7.938 | 7.96 | 3.56 | 23.04 | 8.59 |
| HAB40 | 101.6 | 117.475 | 7.938 | 9.07 | 3.85 | 26.20 | 9.34 |
| HAB42 | 107.95 | 123.825 | 7.938 | 9.56 | 3.96 | 27.58 | 9.65 |
| HAB45 | 114.3 | 130.175 | 7.938 | 10.01 | 4.08 | 28.91 | 9.96 |
| HAB47 | 120.65 | 136.525 | 7.938 | 10.63 | 4.23 | 30.74 | 10.41 |
| HAB50 | 127 | 142.875 | 7.938 | 11.12 | 4.34 | 32.07 | 10.72 |
| HAB55 | 139.7 | 155.575 | 7.938 | 12.19 | 4.60 | 35.23 | 11.39 |
| HAB60 | 152.4 | 168.275 | 7.938 | 13.30 | 4.84 | 38.39 | 12.05 |
| HAB65 | 165.1 | 180.975 | 7.938 | 14.23 | 5.04 | 41.10 | 12.63 |
| HAB70 | 177.8 | 193.675 | 7.938 | 15.35 | 5.27 | 44.30 | 13.26 |
| HAB75 | 190.5 | 206.375 | 7.938 | 16.46 | 5.49 | 47.46 | 13.88 |
| HAB80 | 203.2 | 219.075 | 7.938 | 17.53 | 5.71 | 50.62 | 14.50 |
| HAB90 | 228.6 | 244.475 | 7.938 | 19.57 | 6.09 | 56.49 | 15.61 |
| HAB100 | 254 | 269.875 | 7.938 | 21.75 | 6.50 | 62.81 | 16.73 |
| HAB110 | 279.4 | 295.275 | 7.938 | 23.80 | 6.85 | 68.68 | 17.79 |
| HAB120 | 304.8 | 320.675 | 7.938 | 25.98 | 7.22 | 75.00 | 18.86 |
| HAB140 | 355.6 | 371.475 | 7.938 | 30.07 | 7.86 | 86.74 | 20.77 |
| HAB160 | 406.4 | 422.275 | 7.938 | 34.30 | 8.48 | 98.97 | 22.69 |
| HAB180 | 457.2 | 473.075 | 7.938 | 38.52 | 9.07 | 111.16 | 24.51 |
| HAB200 | 508 | 523.875 | 7.938 | 42.75 | 9.62 | 123.35 | 26.24 |
| HAC系列 |
| 軸承型號 | 主要尺寸(mm) | 基本額定載荷(KN) |
| d | D | H | 徑向靜載荷 | 徑向動載荷 | 軸向靜載荷 | 軸向動載荷 |
| HAC40 | 101.6 | 120.65 | 9.525 | 11.34 | 5.13 | 32.74 | 12.32 |
| HAC42 | 107.95 | 127 | 9.525 | 12.05 | 5.31 | 34.79 | 12.81 |
| HAC45 | 114.3 | 133.35 | 9.525 | 12.72 | 5.49 | 36.79 | 13.30 |
| HAC47 | 120.65 | 139.7 | 9.525 | 13.43 | 5.67 | 38.79 | 13.79 |
| HAC50 | 127 | 146.05 | 9.525 | 14.15 | 5.84 | 40.79 | 14.23 |
| HAC55 | 139.7 | 158.75 | 9.525 | 15.30 | 6.11 | 44.13 | 14.99 |
| HAC60 | 152.4 | 171.45 | 9.525 | 16.68 | 6.44 | 48.13 | 15.92 |
| HAC65 | 165.1 | 184.15 | 9.525 | 18.06 | 6.76 | 52.13 | 16.77 |
| HAC70 | 177.8 | 196.85 | 9.525 | 19.22 | 7.01 | 55.47 | 17.48 |
| HAC75 | 190.5 | 209.55 | 9.525 | 20.60 | 7.30 | 59.52 | 18.33 |
| HAC80 | 203.2 | 222.25 | 9.525 | 22.02 | 7.60 | 63.52 | 19.13 |
| HAC90 | 228.6 | 247.65 | 9.525 | 24.55 | 8.10 | 70.86 | 20.60 |
| HAC100 | 254 | 273.05 | 9.525 | 27.31 | 8.64 | 78.87 | 22.11 |
| HAC110 | 279.4 | 298.45 | 9.525 | 29.89 | 9.11 | 86.25 | 23.49 |
| HAC120 | 304.8 | 323.85 | 9.525 | 32.43 | 9.55 | 93.59 | 24.78 |
| HAC140 | 355.6 | 374.65 | 9.525 | 37.77 | 10.44 | 108.98 | 27.45 |
| HAC160 | 406.4 | 425.45 | 9.525 | 43.06 | 11.27 | 124.33 | 29.94 |
| HAC180 | 457.2 | 476.25 | 9.525 | 48.40 | 12.04 | 139.72 | 32.38 |
| HAC200 | 508 | 527.05 | 9.525 | 53.51 | 12.74 | 154.44 | 34.61 |
| HAC250 | 635 | 654.05 | 9.525 | 66.28 | 14.38 | 192.52 | 40.08 |
| HAC300 | 762 | 781.05 | 9.525 | 79.89 | 15.84 | 230.64 | 45.19 |
| HAD系列 |
| 軸承型號 | 主要尺寸(mm) | 基本額定載荷(KN) |
| d | D | H | 徑向靜載荷 | 徑向動載荷 | 軸向靜載荷 | 軸向動載荷 |
| HAD40 | 101.6 | 127 | 12.7 | 15.79 | 8.09 | 45.64 | 18.95 |
| HAD42 | 107.95 | 133.35 | 12.7 | 16.68 | 8.34 | 48.17 | 19.66 |
| HAD45 | 114.3 | 139.7 | 12.7 | 17.57 | 8.59 | 50.71 | 20.33 |
| HAD47 | 120.65 | 146.05 | 12.7 | 18.46 | 8.83 | 53.25 | 21.00 |
| HAD50 | 127 | 152.4 | 12.7 | 19.31 | 9.07 | 55.78 | 21.66 |
| HAD55 | 139.7 | 165.1 | 12.7 | 21.08 | 9.54 | 60.85 | 22.95 |
| HAD60 | 152.4 | 177.8 | 12.7 | 22.82 | 10.00 | 65.92 | 24.20 |
| HAD65 | 165.1 | 190.5 | 12.7 | 24.60 | 10.44 | 70.99 | 25.44 |
| HAD70 | 177.8 | 203.2 | 12.7 | 26.33 | 10.86 | 76.06 | 26.64 |
| HAD75 | 190.5 | 215.9 | 12.7 | 28.11 | 11.28 | 81.14 | 27.80 |
| HAD80 | 203.2 | 228.6 | 12.7 | 29.85 | 11.69 | 86.21 | 28.96 |
| HAD90 | 228.6 | 254 | 12.7 | 33.36 | 12.47 | 96.35 | 31.18 |
| HAD100 | 254 | 279.4 | 12.7 | 36.88 | 13.22 | 106.49 | 33.36 |
| HAD110 | 279.4 | 304.8 | 12.7 | 40.39 | 13.94 | 116.63 | 35.41 |
| HAD120 | 304.8 | 330.2 | 12.7 | 43.90 | 14.63 | 126.77 | 37.45 |
| HAD140 | 355.6 | 381 | 12.7 | 50.93 | 15.93 | 147.06 | 41.32 |
| HAD160 | 406.4 | 431.8 | 12.7 | 57.96 | 17.15 | 167.34 | 45.06 |
| HAD180 | 457.2 | 482.6 | 12.7 | 64.99 | 18.30 | 187.63 | 48.62 |
| HAD200 | 508 | 533.4 | 12.7 | 72.02 | 19.38 | 207.91 | 52.09 |
| HAD210 | 533.4 | 558.8 | 12.7 | 75.54 | 19.89 | 218.05 | 53.76 |
| HAD250 | 635 | 660.4 | 12.7 | 89.59 | 21.83 | 258.62 | 60.23 |
| HAD300 | 762 | 787.4 | 12.7 | 107.16 | 24.01 | 309.33 | 67.88 |
| HAF系列 |
| 軸承型號 | 主要尺寸(mm) | 基本額定載荷(KN) |
| d | D | H | 徑向靜載荷 | 徑向動載荷 | 軸向靜載荷 | 軸向動載荷 |
| HAF40 | 101.6 | 139.7 | 19.05 | 28.25 | 16.62 | 81.58 | 37.45 |
| HAF42 | 107.95 | 146.05 | 19.05 | 29.36 | 16.93 | 84.74 | 38.39 |
| HAF45 | 114.3 | 152.4 | 19.05 | 31.54 | 17.64 | 91.01 | 40.26 |
| HAF47 | 120.65 | 158.75 | 19.05 | 32.61 | 17.94 | 94.12 | 41.19 |
| HAF50 | 127 | 165.1 | 19.05 | 33.67 | 18.24 | 97.28 | 42.08 |
| HAF55 | 139.7 | 177.8 | 19.05 | 36.96 | 19.21 | 106.67 | 44.75 |
| HAF60 | 152.4 | 190.5 | 19.05 | 40.21 | 20.15 | 116.10 | 47.37 |
| HAF65 | 165.1 | 203.2 | 19.05 | 43.46 | 21.06 | 125.53 | 49.91 |
| HAF70 | 177.8 | 215.9 | 19.05 | 46.75 | 21.94 | 134.91 | 52.36 |
| HAF75 | 190.5 | 228.6 | 19.05 | 48.93 | 22.47 | 141.19 | 53.96 |
| HAF80 | 203.2 | 241.3 | 19.05 | 52.18 | 23.32 | 150.62 | 56.36 |
| HAF90 | 228.6 | 266.7 | 19.05 | 58.67 | 24.95 | 169.43 | 60.94 |
| HAF100 | 254 | 292.1 | 19.05 | 64.14 | 26.20 | 185.13 | 64.63 |
| HAF110 | 279.4 | 317.5 | 19.05 | 70.64 | 27.70 | 203.95 | 68.95 |
| HAF120 | 304.8 | 342.9 | 19.05 | 76.06 | 28.86 | 219.65 | 72.46 |
| HAF140 | 355.6 | 393.7 | 19.05 | 88.03 | 31.33 | 254.17 | 79.85 |
| HAF160 | 406.4 | 444.5 | 19.05 | 100.00 | 33.64 | 288.65 | 86.92 |
| HAF180 | 457.2 | 495.3 | 19.05 | 113.03 | 36.04 | 326.32 | 94.35 |
| HAF200 | 508 | 546.1 | 19.05 | 125.00 | 38.09 | 360.84 | 100.89 |
| HAF250 | 635 | 673.1 | 19.05 | 154.35 | 42.64 | 445.71 | 116.10 |
| HAF300 | 762 | 800.1 | 19.05 | 184.78 | 46.85 | 533.34 | 130.91 |
| HAF350 | 889 | 927.1 | 19.05 | 215.20 | 50.63 | 621.42 | 144.92 |
| HAF400 | 1016 | 1054.1 | 19.05 | 245.63 | 54.03 | 709.05 | 158.27 |
| HAG系列 |
| 軸承型號 | 主要尺寸(mm) | 基本額定載荷(KN) |
| d | D | H | 徑向靜載荷 | 徑向動載荷 | 軸向靜載荷 | 軸向動載荷 |
| HAG40 | 101.6 | 152.4 | 25.4 | 42.17 | 27.94 | 121.70 | 60.63 |
| HAG42 | 107.95 | 158.75 | 25.4 | 44.26 | 28.64 | 127.80 | 62.68 |
| HAG45 | 114.3 | 165.1 | 25.4 | 46.39 | 29.19 | 133.89 | 64.63 |
| HAG47 | 120.65 | 171.45 | 25.4 | 48.49 | 30.00 | 139.94 | 66.59 |
| HAG50 | 127 | 177.8 | 25.4 | 50.58 | 30.68 | 146.04 | 68.50 |
| HAG55 | 139.7 | 190.5 | 25.4 | 54.80 | 31.99 | 158.22 | 72.24 |
| HAG60 | 152.4 | 203.2 | 25.4 | 59.03 | 33.27 | 170.37 | 75.89 |
| HAG65 | 165.1 | 215.9 | 25.4 | 63.25 | 34.52 | 182.56 | 79.49 |
| HAG70 | 177.8 | 228.6 | 25.4 | 67.44 | 35.74 | 194.74 | 82.96 |
| HAG75 | 190.5 | 241.3 | 25.4 | 71.66 | 36.93 | 206.89 | 86.38 |
| HAG80 | 203.2 | 254 | 25.4 | 75.89 | 38.10 | 219.07 | 89.77 |
| HAG90 | 228.6 | 279.4 | 25.4 | 84.34 | 40.36 | 243.41 | 96.26 |
| HAG100 | 254 | 304.8 | 25.4 | 92.75 | 42.53 | 267.74 | 102.58 |
| HAG110 | 279.4 | 330.2 | 25.4 | 101.20 | 44.60 | 292.07 | 108.71 |
| HAG120 | 304.8 | 355.6 | 25.4 | 109.60 | 46.62 | 316.45 | 114.68 |
| HAG140 | 355.6 | 406.4 | 25.4 | 126.46 | 50.43 | 365.11 | 126.15 |
| HAG160 | 406.4 | 457.2 | 25.4 | 143.32 | 54.01 | 413.77 | 137.14 |
| HAG180 | 457.2 | 508 | 25.4 | 160.22 | 57.37 | 462.62 | 147.68 |
| HAG200 | 508 | 558.8 | 25.4 | 177.08 | 60.55 | 511.10 | 157.87 |
| HAG220 | 558.8 | 609.6 | 25.4 | 193.93 | 63.57 | 559.84 | 167.75 |
| HAG250 | 635 | 685.8 | 25.4 | 219.21 | 67.79 | 632.98 | 182.02 |
| HAG300 | 762 | 812.8 | 25.4 | 261.38 | 74.23 | 754.42 | 204.71 |
| HAG350 | 889 | 939.8 | 25.4 | 303.55 | 79.99 | 876.30 | 226.15 |
| HAG400 | 1016 | 1066.8 | 25.4 | 345.72 | 85.20 | 998.18 | 246.61 |